全国2009年1月高等教育自学考试计算机通信接口技
课程代码:02369
说明:接口芯片的控制字请参阅附录.
一、单项选择题(本大题共13小题,每小题1分,共13分)
在每小题列出的四个备选项中只有一个是符合题目要求的,请将其代码填写在题后的括号内.错选、多选或未选均无分.
1.属于PC系统中输入输出控制方式的是( )
A.存储器映象I/O
B.串行I/O
C.程序控制I/O
D.并行I/O
2.I/O隔离方式的优点是I/O端口地址译码电路简单、寻址速度快和( )
A.无需专门的I/O指令
B.访问I/O端口编程灵活、方便
C.系统读写控制逻辑设计简单
D.不占用存储器的地址空间
3.异步串行通信协议规定,通信线上传送的一个字符的最后是( )
A.起始位
B.数据位
C.校验位
D.停止位
4.8254内部控制寄存器有( )
A.1个
B.2个
C.3个
D.4个
5.一旦微处理器复位,82C55的RESET输入就令其初始化,使( )
A.82C55的三个端口工作在方式0输入方式
B.82C55的三个端口工作在方式0输出方式
C.82C55的三个端口工作在方式1输入方式
D.82C55的三个端口工作在方式1输出方式
6.串行同步通信的同步方法是在数据流中用特定的同步字符序列作数据字符传送的开始,完成该功能的部件是( )
A.接收器
B.串/并转换器
C.发送器
D.移位寄存器
7.PC机IEEE1284并行接口ECP模式中正向传输进行握手的两条信号线是( )
A.HostClk和PeriphAck
B.PeriphClk和HostAck
C.HostClk和HostAck
D.PeriphClk和PeriphAck
8.可编程定时器/计数器8254工作在方式2时,计数器具有的功能是( )
A.初值自动重装
B.门控
C.每来一个CLK脉冲,计数值自动减2
D.方波发生器
9.微机系统主板(系统板)上一般不包括( )
A.中央处理器(CPU)
B.存储器
C.显示器
D.中断控制器
10.在PC/XT机设计中,只使用了端口地址线A9~A0,因此能访问的端口地址空间是( )
A.1KB
B.32KB
C.64KB
D.640KB
11.位于内存1C4H~1C7H当中的中断向量所对应中断号是( )
A.71H
B.74H
C.76H
D.87H
12.GPIB的设计者为了保证每个字节的可靠传送(不丢失信息),提出了( )
A.0线握手联络方式
B.1线握手联络方式
C.2线握手联络方式
D.3线握手联络方式
13.CPU通过8250采用查询方式接收数据之前,为了判断接收是否存在错误,首先要读取( )
A.线路状态寄存器
B.接收移位寄存器
C.数据缓冲寄存器
D.MODEM状态寄存器
二、填空题(本大题共10小题,每小题1分,共10分)
请在每小题的空格中填上正确答案.错填、不填均无分.
14.计算机系统中,CPU通过数据总线、地址总线和控制总线与RAM,ROM和______三大功能模块进行数据交换.
15.直接存储器存取DMA是指______和外围设备直接交换数据的方式.
16.8288是与8088相配合的______.
17.
信号在所有存储器的______周期有效.18.一般接口系统,是"点对点"传送,而GPIB则是______传送.
19.是否需要握手联络线和需要几条握手联络线,决定于外设的特性和并行______的要求.
20.异步串行通信的接收方采用K=16采样输入信号,若连续8个时钟周期内检测结果都为"0"才确定检测到了______位,这是收、发双方同步的关键.
21.8254的每个计数器可按二进制或______进制计数.
22.MC146818内部有______个字节的CMOS RAM单元存放实时时钟和系统配置信息.
23.个人计算机利用电话线拨号上网时,需要使用______设备对信号进行调制和解调.
三、画图题(本大题共4小题,每小题5分,共20分)
24.题24图是PC/XT机8位端口I/O读周期(由5个微处理器时钟周期构成)时序.请在题下相应的空格上填入适当的内容,使时序图功能完整.
题24图
(1)_______________ (2)______________
(3)_______________ (4)______________
根据题24图可知,如果外设的数据只能保持到T2,则CPU执行IN指令读入的数据是一个______的数据.
25.在题25图中画出两台PC机近距离异步串行通信时RS-232C接口的直接互连图(用一方的RTS来产生另一方的CTS,用一方的DTR来产生另一方的DSR,全双工方式).
题25图
26.题26图是CPU对串行口初始化(采用中断方式传送数据)的流程图,请在题下相应的空格上填入适当的内容.
题26图
(1)_______________ (2)_______________ (3)_______________
(4)_______________ (5)_______________
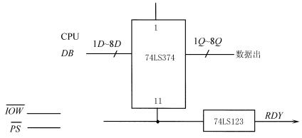
27.题27图是利用74LS374和74LS123连接构成单线握手输出并口,请完成连线,并注明数据线的方向.
题27图
四、编程题(本大题共5小题,每小题5分,共25分)
28.根据题28图流程,请将对应程序段补充完整(设状态口地址为2FDH,数据口地址为2F8H,状态位为D0位,D0=1表示数据准备好).
题28图
29.8254计数器1的输入时钟是2MHz.地址译码器提供给8254的口地址为208H~20BH,要求计数器1输出1kHz的方波信号,试将下面8254的初始化程序段(按照二进制计数)补充完整.
MOV DX, (1)
MOV AL, (2)
OUT DX,AL ;写入控制字
MOV AX, (3)
MOV DX, (4)
OUT DX,AL
(5)
OUT DX,AL ;写入计数初值
30.利用甲、乙两台计算机的辅串口直接相连进行单工通信.甲发送,乙接收.双方通信前约定:7位数据位,1位停止位,奇校验,通信速率为4 800 bps,双方均采用查询方式进行数据的发送和接收.请将下列对甲计算机的Ins8250初始化程序段补充完整.
MOV DX,2FBH
MOV AL, (1)
OUT DX,AL ;DLAB=1
MOV DX,2F8H
MOV AL, (2)
OUT DX,AL
MOV DX,2F9H
MOV AL,0
OUT DX,AL ;设置波特率
MOV DX,2FBH
MOV AL, (3)
OUT DX,AL ;设置数据格式
MOV DX,2F9H
MOV AL, (4)
OUT DX,AL ;禁止所有中断
MOV DX,2FCH
MOV AL,(5)______
OUT DX,AL
31.下列子程序的功能是采用直接查询编程方式对IBM-PC打印接口进行编程,将AL中的字符送打印机,请在空格上填入合适的内容以完成该操作.
PRINT PROC NEAR
PUSH AX
PUSH DX
MOV DX,378H ;输出字符代码
OUT DX,AL
MOV DX,379H ;状态地址送DX
WAIT:
IN AL,DX
TEST AL, (1)
(2) ;检查,等待打印机空闲
MOV DX,37AH
MOV AL, (3)
OUT DX,AL ;输出控制字节,选通线上产生负脉冲
MOV AL, (4)
OUT DX,AL
POP DX
POP AX
(5) ;子程序返回
PRINT ENDP
32.下面程序段的功能是利用DOS功能调用,将中断号为0AH的中断处理程序入口地址置于中断向量表中.已知变量KEEPCS中保存了该中断例程(服务程序)的入口段址,变量KEEPIP中保存了该中断例程的入口偏移地址.请在空格上填入合适的内容以完成该操作.
……
MOV (1) ,KEEPIP
MOV AX,KEEPCS
MOV (2) ,AX
MOV AH, (3)
MOV AL, (4)
(5)
……
五、综合应用题(本大题共4小题,每小题8分,共32分)
33.某个应用系统,82C55连接于ISA总线,地址为230H~233H,82C55的A口工作于方式1的输出,
[1]
欢迎关注“上海自考网”微信公众平台![]() (自考资讯,一手掌握!) |
欢迎加入“上海自考网”微信交流群![]() (扫码进群,领取《 |
上海自考网免责声明:
(一)由于考试政策等各方面情况的不断调整与变化,本网站所提供的考试信息仅供参考,请以省考试院及院校官方发布公布的正式信息为准。
(二)本站文章内容信息来源出处标注为其他平台的稿件均为转载稿,免费转载出于非商业性学习目的,版权归原作者所有。如您对内容、版权等问题存在异议请与本站联系,我们会及时进行处理解决,联系邮箱:952056566@qq.com。







