上海自考《液压与气压传动》03631 课程考试大纲!
上海市高等教育自学考试
机械制造及自动化专业(专科)(A080301) 液压与气压传动(课程代码3631)
自学考试大纲
I. 课程性质与设置目的要求
一、课程性质、特点和设置目的
“液压与气压传动”是《机械工程及自动化》专业本科段自学考试计划中的一门专业基础课,是为培养满足《机械工程及自动化》高等本科人才需要而设置的。通过本课程的学习,使学生掌握液压传动技术的基本内容,包括基本概念,液压元件,液压基本回路,典型液压系统等,使学生能应用液压传动的基本理论去分析和理解一定的复杂程度液压系统。并对气压传动系统组成,优缺点及气源处理系统有基本了解,为后续课程及毕业设计打下基础。
二、本课程的基本要求
通过本课程的自学,要求学生做到:了解掌握液压与气压传动系统组成,液压元件工作原理、性能及选用,熟悉液压基本回路及液压传动系统设计方法。
在自学过程中,要求学生切实理解和掌握课程有关内容的基本概念、必要的基本理论和基本方法,并获得分析问题和解决问题的能力。
三、本课程与相关课程的关系
学生在学习本课程前,应掌握机械制图、工程力学、机械设计等课程的基本知识。
II. 课程的基本内容与考核目标
绪论
一、学习的目的与要求
通过本章学习,要求学生理解液压与气压传动的工作原理,掌握液压与气压传动系统的组成及应用。
二、课程内容
第一节液压与气压传动的工作原理
第二节液压与气压传动系统的组成和表示方法
第三节液压与气压传动的优缺点第四节液压与气压传动的应用
第五节液压与气压技术进展
三、考核知识点
1、液压传动系统的组成
2、液压传动系统的优缺点
四、考核要求
(一)识记
1、液压与气压传动系统的组成
2、液压与气压传动的应用
(二)领会
(1)液压传动与气压传动的定义
(2)液压与气压传动的工作原理
第一章流体力学基础
一、学习的目的与要求
通过本章学习,要求学生了解液压传动工作介质的种类及特性,掌握帕斯卡定律、质量守恒定律、能量守恒定律、动量定律、小孔流量公式等。
二、课程内容
第一节工作介质
(一)液压传动介质
(二)气压传动
第二节流体静力学
(一)静压力及其特性
(二)静压力基本方程
(三)帕斯卡原理
(四)静压力对固体壁面的作用力第三节流体运动学和流体动力学
(一)基本概念
(二)连续方程
(三)能量方程
(四)动量方程第四节管道流动
(一)流态与雷诺数
(二)圆管层流
(三)圆管湍流
(四)压力损失第五节孔口流动
(一)薄壁小孔
(二)短孔与细长孔
(三)气动元件的通流能力 第六节缝隙流动
(一)平行平板缝隙
(二)环形缝隙第七节瞬变流动
(一)液压冲击
(二)气穴现象
三、考核知识点
1、液体的粘性及粘度,粘度的表示方法
2、压力表示方法
3、液体的流态及其判据,临界雷诺数
4、流动液体的三大定律及计算公式
四、考核要求
(一)识记
1、粘度的表示方法
2、层流与紊流![]()
3、伯努利方程的应用
4、薄壁小孔流量公式的应用
(二)领会
1、液压传动主要物理性质
2、静止及流动液体的力学基本规律
3、液压冲击的产生及减小液压冲击的措施
第二章能源装置及辅件
一、学习的目的与要求
掌握容积式液压泵工作原理、类型、性能及选用,了解液压辅件功能,了解掌握气源装置工作原理。
二、课程内容
第一节概述
(一)能源装置的组成
(二)对能源装置的基本要求 第二节液压泵
(一)液压泵概述
(二)轮齿液压泵
(三)螺杆泵
(四)叶片液压泵
(五)柱塞液压泵
(六)液压泵的气穴
(七)液压泵的噪声第三节油箱
(一)功用
(二)结构
(三)油箱的容量第四节液压附件
(一)过滤器
(二)热交换器
(三)蓄能器
第五节气源装置(一)空压站
(二)空压站机组容量计算和选择
(三)空气净化处理装置
(四)压缩空气分配及其输送管道第六节气动辅件
(一)自动排水器
(二)消声器第七节管件(一)管道
(二)管接头
三、考核知识点
1、液压泵工作原理及特性
2、液压泵的主要性能参数
3、各量的单位(量纲)及相关量的关系
4、液压泵的选用
5、油箱、过滤器、蓄能器的功用
6、气源装置的工作原理及功用
7、气动辅件功用
四、考核要求
(一)识记
1、齿轮泵的工作特点
2、叶片泵的工作特点
3、柱塞泵的工作特点
4、变量泵的工作特点
5、液压泵的性能比较
6、气源装置的工作原理及功用
7、液压辅件于气动辅件的区别
(二)领会
1、液压泵分类
2、液压泵职能图形符号
3、气源装置用途及组成
(三)应用
1、液压泵选择
2、液压泵的性能参数及相关计算
3、油箱功用及容积确定
4、滤油器的选择和安装
5、管件类型及选择
第三章执行元件
一、学习的目的与要求
了解掌握液压缸与液压马达的类型及工作特点,掌握液压缸和液压马达基本参数确定。
二、课程内容
第一节直线往复运动执行元件
(一)液压缸
(二)气缸
第二节旋转运动执行元件
(一)液压马达
(二)气动马达
第三节设计计算
(一)液压缸的设计计算
(二)气缸的工作特性及计算
三、考核知识点
1、液压缸和液压马达的类型及工作特点
2、液压缸的差动联接及其特点、应用
3、液压马达的主要性能参数
四、考核要求
(一)识记
1、液压缸和液压马达用途与区别
2、不同类型的液压缸结构形式
3、典型液压缸的结构
4、液压缸和液压马达的主要性能参数(液压、流量与几何尺寸的关系)
(二)领会
1、液压缸的分类
2、液压缸的典型结构
3、液压缸和液压马达职能图形符号
(三)应用
1、液压马达选择
2、典型液压缸特点及其结构
3、液压缸的设计计算方法
第四章控制元件
一、学习的目的与要求
了解掌握常用液压阀(方向阀、压力阀、流量阀)的结构、工作原理及应用,了解叠加阀、插装阀和多路阀的工作原理及应用。
二、课程内容
第一节概述
(一)阀的功用
(二)阀的分类
(三)阀性能的基本要求第二节阀心的结构和性能
(一)阀口形式
(二)液动力
(三)卡动力
(四)阀的泄漏特性
第三节常用液压控制阀(一》方向控制阀
(二)压力控制阀
(三)流量控制阀
第四节液压叠加阀、插装阀和多路阀(一)叠加阀
(二)插装阀
(三)多路阀
三、考核知识点
1、三大类阀的工作原理及应用
2、溢流阀、减压阀、顺序阀的应用与区别
3、方向阀中的换向阀控制方式
4、滑阀式换向阀主体部分的结构形式
5、三位换向阀滑阀工作位置机能及功能
6、节流阀和调速阀的工作原理及工作性能
四、考核要求
(一)识记
1、三大类阀功能及应用
2、三位换向阀中位机能功能
3、直动式溢流阀与先导式溢流阀性能比较
4、溢流阀的应用
5、节流阀和调速阀的工作性能
(二)领会
1、液压阀的基本结构及工作原理
2、液压阀的共同性能参数
3、液压阀职能图形符号
(四)应用
1、液压阀类型的选择
2、液压阀性能参数确定
第五章密封件
一、学习的目的与要求
了解液压密封件作用与分类掌握橡胶密封圈的类型及应用场合、特点。
二、课程内容
第一节密封的作用与分类
(一)密封的作用及其意义
(二)密封的分类
第二节密封件的材料
(一)对密封件材料的要求
(二)常用橡胶密封材料
(三)常用合成树脂密封材料
(四)常用金属密封材料
第三节常用密封件
(一)O 形密封圈
(二)Y 形密封圈
(三)V 形密封圈 第四节新型密封件
(一)星形密封圈
(二)Zurcon-形密封圈
(三)M2 型Turcon-Variseal形密封圈第五节组合式密封件
(一)同轴密封圈
(二)新型格来圈
(三)组合密封垫圈第六节防尘圈
(一)普通型防尘圈
(二)2型Turcon防尘圈
(三)旋转轴用防尘圈
三、考核知识点
1、密封的分类
2、常用密封件(三种橡胶密封圈)应用场合、特点
四、考核要求
(一)、识记
1、密封的作用与分类
2、橡胶密封的种类和特点
3、密封圈的选用及主要性能
(二)、领会
1、液压系统对密封件的要求
2、O 形、Y 形、V 形、组合密封圈的特点及应用场合
第六章基本回路
一、学习的目的与要求
熟悉和掌握各种基本回路所具有的功能,功能的实现方法,以及回路的元件组成,理解各基本回路的联系。
二、课程内容
第一节液压基本回路
(一)压力控制回路
(二)速度控制回路
(三)方向控制回路
(四)多执行元件控制回路
(五)高效节能回路
(六)汽车ABS系统液压回路第二节气动基本回路
(一)方向控制回路
(二)压力与力控制回路
(三)速度控制回路
(四)同步动作回路
(五)连续往复运动回路
(六)其他回路
三、考核知识点
1、各种压力回路组成、功能及特点
2、各种速度控制回路组成、特点及应用
3、方向回路组成及功能
4、多执行元件控制回路组成、功能及特点四、考核要求
(一)识记
1、基本回路的类型及特点
2、三种节流调速回路的油路结构、性能、各自的优缺点、应用场合
3、容积调速回路的特点、类型、调速特性及应用场合
(二)领会
1、 典型快速运动回路、速度换接回路的类型及特点
2、各种压力回路组成、功能及特点
3、 调速回路与其它回路的匹配关系
第七章系统应用与分析
一、学习的目的与要求
掌握电磁铁工作情况表和系统分析方法,理解系统的组成和特点,根据给定的有关条件读懂液压传动系统
二、课程内容
第一节液压系统应用与分析
(一)组合机床液压系统
(二)液压机液压系统
(三)汽车起重机液压系统
(四)电液比例控制系统
(五)电液伺服控制系统
三、考核知识点
1、根据给定的有关条件读懂液压系统
四、考核要求.(一)识记
通过典型实例学习和分析,加深对液压元件和基本回路综合应用的认识。
(二)领会
学会分析液压系统的方法,为液压系统的调整、使用、维修或设计打下基础。
第八章系统设计与计算
一、学习的目的与要求
了解液压系统性能参数确定,元件选用,部件设计。掌握一般液压系统设计。
二、课程内容
第一节概述
第二节液压系统设计与计算
(一)液压系统使用要求和负载特性分析
(二)液压系统方案设计
(三)液压系统原理图的拟定
(四)液压系统参数设计
(五)液压执行元件的设计计算与选用
(六)液压能源装置设计
(七)液压控制元件选用与设计
(八)液压系统密封装置选用与设计
(九)液压系统性能估算
第三节液压系统设计计算举例
(一)分析负载
(二)确定执行元件主要参数
(三)设计液压系统方案和拟定液压系统原理图
(四)选择液压元件
(五)验算液压系统性能
(六)绘制工作图和编制技术文件
三、考核知识点
1、明确液压传动系统设计内容、方法及设计步骤四、考核要求
(一)识记
正确理解并学会设计思想
(二)领会
学完本课程后,应能独立地设计出符合设计要求的中等复杂程度以上的液压系统。
Ⅲ.有关说明及实施要求
一、关于“考核要求”中四个“能力层次”的说明
本课程要求应考者掌握的知识量都作为考核的内容。
识记:要求考生能够识别和记忆本大纲规定的有关知识点的主要内容(如定义、表达式、公式、原则、重要结论、特点等),并能够根据考核的不同要求作出正确的表述、选择和判断等。
领会:要求考生能够领悟和理解本大纲规定的有关知识点的内涵与外延,熟悉其内容要点和它们之间的区别与联系。并能够根据考核的不同要求,作出正确的解释和表述。
应用(简单应用):要求考生能够运用本大纲规定的少量知识点,分析和解决较简单应用问题。
二、关于自学教材、主要参考书
1、 指定教材:《液压与气压传动》,王积伟、黄谊主编,机械工业出版社,2006年1月第二版
2、 参考书:《液压传动与控制解难和练习》,贾铭新主编, 国防工业出版社,2003年1月第一版
三、自学方法指导
初次接触本课程的读者,在开始自学时,往往会感到有一定的困难,一时不能适应。但自学能力的培养对获取知识往往是十分必要的。如能注意以下几点,将会对自学有一定的帮助。
1、在开始自学某一章时,必须先阅读一下自学考试大纲中有关这一章的考核知识点、自学要求以及考核要求中对各考核知识点能力层次要求等内容,以便在自学教材时能做到心中有数,避免平均分配时间。
2、阅读教材时,要求逐段细读,吃透每一个考核知识点和考核要求。对基本概念必须做到深刻理解,对基本原理、基本内容必须弄清弄懂,对基本方法必须熟练掌握。一般,如果课程内容前后有密切联系的话,在尚未达到上述要求前,不宜学习新的内容。反之,如果与新内容相对独立,则可暂时搁置,继续新内容的学习。
3、在自学过程中既要思考问题、联系实际,也要进行习题演算,这样可以加深对问题的认识,熟练掌握基本方法,从而不断提高自学能力。
4、做作业是帮助理解、消化和巩固所学知识,培养分析问题和解决问题能力以及提高运算能力的重要环节。在做作业以前,必须认真阅读教材的有关内容,并收集与作业有关的数据资料等,切勿草率了事,急于求成。
5、各章学时数分配:
本课程共四学分,自学时间包括阅读教材、参考书和做作业等约需240小时。各章学时建议分配如下:
章次 | 课程内容 | 学时 | 章次 | 课程内容 | 学时 |
二1四 | 緒述 流体力学基础 能源装置及辅件 执行元件控制元件 | 12 42 42 12 36 | 五六七八 | 密封件 基本回路 系统应用与分析系统设计与计算 | 12 36 24 24 |
(四)对社会助学的要求
1、助学指导教师应熟悉自学考试大纲所要求的内容、考核知识点和考核要求。助学辅导时,应以指定的教材为基础,自学考试大纲为依据,以免与大纲脱节。
2、注意自学考试的特点,命题要覆盖各章,绝对不可随意增删和圈定重点,以免导向失误。考核知识点不要求的内容则不命题。
3、注意培养考生的自学能力,同时要引导考生逐步学会独立学习、善于在学习过程中联系工作实际,提出问题,并能通过分析研究,提出解决问题的方案和措施。以提高考生分析问题和解决问题的能力。
4、助学辅导时,应引导考生按考试大纲的要求认真自学,应指导和检查考生完成作业的情况,有条件的应安排习题课,以加强考生对基本概念、基本原理和基本方法等的理解。
(五)关于命题考试的若干规定
1、本课程的考试方法为闭卷书面考试,考试时间为150分钟,考试时只允许带蓝色或黑色钢笔或圆珠笔、铅笔、橡皮、尺、不具备储存功能的计算器。答题不允许用红色钢笔或圆珠笔、铅笔等。
2、本自学考试大纲各章所提到的学习要求和列出的考核知识点、考核要求都是考试内容。考试命题覆盖到章,并适当突出重点章节,加大重点内容的覆盖密度。
3、本课程在试题中对不同能力层次要求的分数比例大致为:识记30%,领会40%,简单应用30%。
4、要合理安排试题的难易程度,试题的难易程度可分为:易、较易、较难、难四个等级。每份试卷中不同等级试题所占分数比例大致为:2:3:3:2。应当注意:试题的难易度同能力层次不是同一概念。在各个能力层次的试题中都存在着不同的难度,切勿将二者混淆。
5、试题的主要题型为:选择题、填空题、简答题、实验问答题、分析计算题、设计题等六种类型(详见附录)。
附录题型举例:
一、选择题:
1、液压传动的工作原理是基于
A能量守恒定律B动量定理
C 质量守恒定律D帕斯卡原理
2、容积调速回路中, 的调速方式为恒转矩调节; 的调节为恒功率调节。
A定量泵+变量马达B 变量泵+定量马达
C变量泵+变量马达D定量泵+定量马达
二、填空:
1、液压系统的工作压力取决于,执行元件运动速度取决于0
2、齿轮泵内泄漏主要通过 间隙,间隙,_间隙三条途经泄漏。三、简答题:
1、简述雷諾数表达式的含义和作用。
2、先导式溢流阀若出现无论你如何调节,但阀的进口压力总处于一个较低的值,请说出该故障的主要原因。
四、实验问答题:
1、绘制液压泵性能实验回路简图,简述其节流阀,溢流阀在该系统起何作用?
五、分析计算题:
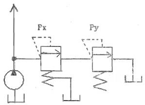
1、图示:顺序阀和溢流阀串联,调整压力分别为Px,Py 当系统外负载 趋于无穷大时,试问1)泵的出口压力为多少?
2)把两阀位置互换则泵出口压力为多少?

2、泵和马达组成系统,已知泵输出油压Pp=10MPa,排量Vp=10ml/r机械效率1mp=0.95,容积效率nvp=0.9,
马达排量VM=10ml/r, 机械效率nmM=0.95,容积效率 n vM=0.9, 泵出口处到马达入口管路压力损失为0.5MPa,其它损失不计。
试求:1.泵转速为1500r/min时,所需要的驱动功率
2.泵输出功率。3.马达输出转速。4.马达输出转距。

4.图示基本回路中若F=3.84KN,有杆腔工作截面A2=30cm2,无杆腔工作截面Al₁=60cm2,2个节流阀的开度都是0.25cm2(Cd=0.6,p=900Kg/m3)
问:当溢流阀压力调至何值时,油缸运动速度可达0.2m/s。(10 分 )

六、设计题:
设计一个能实现快进→工进1→工进2→快退→停止(换向阀卸荷),运动循环液压回路,并满足以下要求:
1. 调速为进口节流调速
2.采用双泵供油系统(双联叶片泵)回油要有背压(压力可调)
上海市高等教育自学考试
机械制造及自动化专业(专科)(A080301) 液压与气压传动(课程代码3631)
自学考试大纲
上海大学自学考试办公室组编
上海高等教育自学考试委员会办公室组编
2007年9月版
I. 课程性质与设置目的要求
一、课程性质、特点和设置目的
“液压与气压传动”是《机械工程及自动化》专业本科段自学考试计划中的一门专业基础课,是为培养满足《机械工程及自动化》高等本科人才需要而设置的。通过本课程的学习,使学生掌握液压传动技术的基本内容,包括基本概念,液压元件,液压基本回路,典型液压系统等,使学生能应用液压传动的基本理论去分析和理解一定的复杂程度液压系统。并对气压传动系统组成,优缺点及气源处理系统有基本了解,为后续课程及毕业设计打下基础。
二、本课程的基本要求
通过本课程的自学,要求学生做到:了解掌握液压与气压传动系统组成,液压元件工作原理、性能及选用,熟悉液压基本回路及液压传动系统设计方法。
在自学过程中,要求学生切实理解和掌握课程有关内容的基本概念、必要的基本理论和基本方法,并获得分析问题和解决问题的能力。
三、本课程与相关课程的关系
学生在学习本课程前,应掌握机械制图、工程力学、机械设计等课程的基本知识。
II. 课程的基本内容与考核目标
绪论
一、学习的目的与要求
通过本章学习,要求学生理解液压与气压传动的工作原理,掌握液压与气压传动系统的组成及应用。
二、课程内容
第一节液压与气压传动的工作原理
第二节液压与气压传动系统的组成和表示方法
第三节液压与气压传动的优缺点第四节液压与气压传动的应用
第五节液压与气压技术进展
三、考核知识点
1、液压传动系统的组成
2、液压传动系统的优缺点
四、考核要求
(一)识记
1、液压与气压传动系统的组成
2、液压与气压传动的应用
(二)领会
(1)液压传动与气压传动的定义
(2)液压与气压传动的工作原理
第一章流体力学基础
一、学习的目的与要求
通过本章学习,要求学生了解液压传动工作介质的种类及特性,掌握帕斯卡定律、质量守恒定律、能量守恒定律、动量定律、小孔流量公式等。
二、课程内容
第一节工作介质
(一)液压传动介质
(二)气压传动
第二节流体静力学
(一)静压力及其特性
(二)静压力基本方程
(三)帕斯卡原理
(四)静压力对固体壁面的作用力第三节流体运动学和流体动力学
(一)基本概念
(二)连续方程
(三)能量方程
(四)动量方程第四节管道流动
(一)流态与雷诺数
(二)圆管层流
(三)圆管湍流
(四)压力损失第五节孔口流动
(一)薄壁小孔
(二)短孔与细长孔
(三)气动元件的通流能力 第六节缝隙流动
(一)平行平板缝隙
(二)环形缝隙第七节瞬变流动
(一)液压冲击
(二)气穴现象
三、考核知识点
1、液体的粘性及粘度,粘度的表示方法
2、压力表示方法
3、液体的流态及其判据,临界雷诺数
4、流动液体的三大定律及计算公式
四、考核要求
(一)识记
1、粘度的表示方法
2、层流与紊流
3、伯努利方程的应用
4、薄壁小孔流量公式的应用
(二)领会
1、液压传动主要物理性质
2、静止及流动液体的力学基本规律
3、液压冲击的产生及减小液压冲击的措施
第二章能源装置及辅件
一、学习的目的与要求
掌握容积式液压泵工作原理、类型、性能及选用,了解液压辅件功能,了解掌握气源装置工作原理。
二、课程内容
第一节概述
(一)能源装置的组成
(二)对能源装置的基本要求 第二节液压泵
(一)液压泵概述
(二)轮齿液压泵
(三)螺杆泵
(四)叶片液压泵
(五)柱塞液压泵
(六)液压泵的气穴
(七)液压泵的噪声第三节油箱
(一)功用
(二)结构
(三)油箱的容量第四节液压附件
(一)过滤器
(二)热交换器
(三)蓄能器
第五节气源装置(一)空压站
(二)空压站机组容量计算和选择
(三)空气净化处理装置
(四)压缩空气分配及其输送管道第六节气动辅件
(一)自动排水器
(二)消声器第七节管件(一)管道
(二)管接头
三、考核知识点
1、液压泵工作原理及特性
2、液压泵的主要性能参数
3、各量的单位(量纲)及相关量的关系
4、液压泵的选用
5、油箱、过滤器、蓄能器的功用
6、气源装置的工作原理及功用
7、气动辅件功用
四、考核要求
(一)识记
1、齿轮泵的工作特点
2、叶片泵的工作特点
3、柱塞泵的工作特点
4、变量泵的工作特点
5、液压泵的性能比较
6、气源装置的工作原理及功用
7、液压辅件于气动辅件的区别
(二)领会
1、液压泵分类
2、液压泵职能图形符号
3、气源装置用途及组成
(三)应用
1、液压泵选择
2、液压泵的性能参数及相关计算
3、油箱功用及容积确定
4、滤油器的选择和安装
5、管件类型及选择
第三章执行元件
一、学习的目的与要求
了解掌握液压缸与液压马达的类型及工作特点,掌握液压缸和液压马达基本参数确定。
二、课程内容
第一节直线往复运动执行元件
(一)液压缸
(二)气缸
第二节旋转运动执行元件
(一)液压马达
(二)气动马达
第三节设计计算
(一)液压缸的设计计算
(二)气缸的工作特性及计算
三、考核知识点
1、液压缸和液压马达的类型及工作特点
2、液压缸的差动联接及其特点、应用
3、液压马达的主要性能参数
四、考核要求
(一)识记
1、液压缸和液压马达用途与区别
2、不同类型的液压缸结构形式
3、典型液压缸的结构
4、液压缸和液压马达的主要性能参数(液压、流量与几何尺寸的关系)
(二)领会
1、液压缸的分类
2、液压缸的典型结构
3、液压缸和液压马达职能图形符号
(三)应用
1、液压马达选择
2、典型液压缸特点及其结构
3、液压缸的设计计算方法
第四章控制元件
一、学习的目的与要求
了解掌握常用液压阀(方向阀、压力阀、流量阀)的结构、工作原理及应用,了解叠加阀、插装阀和多路阀的工作原理及应用。
二、课程内容
第一节概述
(一)阀的功用
(二)阀的分类
(三)阀性能的基本要求第二节阀心的结构和性能
(一)阀口形式
(二)液动力
(三)卡动力
(四)阀的泄漏特性
第三节常用液压控制阀(一》方向控制阀
(二)压力控制阀
(三)流量控制阀
第四节液压叠加阀、插装阀和多路阀(一)叠加阀
(二)插装阀
(三)多路阀
三、考核知识点
1、三大类阀的工作原理及应用
2、溢流阀、减压阀、顺序阀的应用与区别
3、方向阀中的换向阀控制方式
4、滑阀式换向阀主体部分的结构形式
5、三位换向阀滑阀工作位置机能及功能
6、节流阀和调速阀的工作原理及工作性能
四、考核要求
(一)识记
1、三大类阀功能及应用
2、三位换向阀中位机能功能
3、直动式溢流阀与先导式溢流阀性能比较
4、溢流阀的应用
5、节流阀和调速阀的工作性能
(二)领会
1、液压阀的基本结构及工作原理
2、液压阀的共同性能参数
3、液压阀职能图形符号
(四)应用
1、液压阀类型的选择
2、液压阀性能参数确定
第五章密封件
一、学习的目的与要求
了解液压密封件作用与分类掌握橡胶密封圈的类型及应用场合、特点。
二、课程内容
第一节密封的作用与分类
(一)密封的作用及其意义
(二)密封的分类
第二节密封件的材料
(一)对密封件材料的要求
(二)常用橡胶密封材料
(三)常用合成树脂密封材料
(四)常用金属密封材料
第三节常用密封件
(一)O 形密封圈
(二)Y 形密封圈
(三)V 形密封圈 第四节新型密封件
(一)星形密封圈
(二)Zurcon-形密封圈
(三)M2 型Turcon-Variseal形密封圈第五节组合式密封件
(一)同轴密封圈
(二)新型格来圈
(三)组合密封垫圈第六节防尘圈
(一)普通型防尘圈
(二)2型Turcon防尘圈
(三)旋转轴用防尘圈
三、考核知识点
1、密封的分类
2、常用密封件(三种橡胶密封圈)应用场合、特点
四、考核要求
(一)、识记
1、密封的作用与分类
2、橡胶密封的种类和特点
3、密封圈的选用及主要性能
(二)、领会
1、液压系统对密封件的要求
2、O 形、Y 形、V 形、组合密封圈的特点及应用场合
第六章基本回路
一、学习的目的与要求
熟悉和掌握各种基本回路所具有的功能,功能的实现方法,以及回路的元件组成,理解各基本回路的联系。
二、课程内容
第一节液压基本回路
(一)压力控制回路
(二)速度控制回路
(三)方向控制回路
(四)多执行元件控制回路
(五)高效节能回路
(六)汽车ABS系统液压回路第二节气动基本回路
(一)方向控制回路
(二)压力与力控制回路
(三)速度控制回路
(四)同步动作回路
(五)连续往复运动回路
(六)其他回路
三、考核知识点
1、各种压力回路组成、功能及特点
2、各种速度控制回路组成、特点及应用
3、方向回路组成及功能
4、多执行元件控制回路组成、功能及特点四、考核要求
(一)识记
1、基本回路的类型及特点
2、三种节流调速回路的油路结构、性能、各自的优缺点、应用场合
3、容积调速回路的特点、类型、调速特性及应用场合
(二)领会
1、 典型快速运动回路、速度换接回路的类型及特点
2、各种压力回路组成、功能及特点
3、 调速回路与其它回路的匹配关系
第七章系统应用与分析
一、学习的目的与要求
掌握电磁铁工作情况表和系统分析方法,理解系统的组成和特点,根据给定的有关条件读懂液压传动系统
二、课程内容
第一节液压系统应用与分析
(一)组合机床液压系统
(二)液压机液压系统
(三)汽车起重机液压系统
(四)电液比例控制系统
(五)电液伺服控制系统
三、考核知识点
1、根据给定的有关条件读懂液压系统
四、考核要求.(一)识记
通过典型实例学习和分析,加深对液压元件和基本回路综合应用的认识。
(二)领会
学会分析液压系统的方法,为液压系统的调整、使用、维修或设计打下基础。
第八章系统设计与计算
一、学习的目的与要求
了解液压系统性能参数确定,元件选用,部件设计。掌握一般液压系统设计。
二、课程内容
第一节概述
第二节液压系统设计与计算
(一)液压系统使用要求和负载特性分析
(二)液压系统方案设计
(三)液压系统原理图的拟定
(四)液压系统参数设计
(五)液压执行元件的设计计算与选用
(六)液压能源装置设计
(七)液压控制元件选用与设计
(八)液压系统密封装置选用与设计
(九)液压系统性能估算
第三节液压系统设计计算举例
(一)分析负载
(二)确定执行元件主要参数
(三)设计液压系统方案和拟定液压系统原理图
(四)选择液压元件
(五)验算液压系统性能
(六)绘制工作图和编制技术文件
三、考核知识点
1、明确液压传动系统设计内容、方法及设计步骤四、考核要求
(一)识记
正确理解并学会设计思想
(二)领会
学完本课程后,应能独立地设计出符合设计要求的中等复杂程度以上的液压系统。
Ⅲ.有关说明及实施要求
一、关于“考核要求”中四个“能力层次”的说明
本课程要求应考者掌握的知识量都作为考核的内容。
识记:要求考生能够识别和记忆本大纲规定的有关知识点的主要内容(如定义、表达式、公式、原则、重要结论、特点等),并能够根据考核的不同要求作出正确的表述、选择和判断等。
领会:要求考生能够领悟和理解本大纲规定的有关知识点的内涵与外延,熟悉其内容要点和它们之间的区别与联系。并能够根据考核的不同要求,作出正确的解释和表述。
应用(简单应用):要求考生能够运用本大纲规定的少量知识点,分析和解决较简单应用问题。
二、关于自学教材、主要参考书
1、 指定教材:《液压与气压传动》,王积伟、黄谊主编,机械工业出版社,2006年1月第二版
2、 参考书:《液压传动与控制解难和练习》,贾铭新主编, 国防工业出版社,2003年1月第一版
三、自学方法指导
初次接触本课程的读者,在开始自学时,往往会感到有一定的困难,一时不能适应。但自学能力的培养对获取知识往往是十分必要的。如能注意以下几点,将会对自学有一定的帮助。
1、在开始自学某一章时,必须先阅读一下自学考试大纲中有关这一章的考核知识点、自学要求以及考核要求中对各考核知识点能力层次要求等内容,以便在自学教材时能做到心中有数,避免平均分配时间。
2、阅读教材时,要求逐段细读,吃透每一个考核知识点和考核要求。对基本概念必须做到深刻理解,对基本原理、基本内容必须弄清弄懂,对基本方法必须熟练掌握。一般,如果课程内容前后有密切联系的话,在尚未达到上述要求前,不宜学习新的内容。反之,如果与新内容相对独立,则可暂时搁置,继续新内容的学习。
3、在自学过程中既要思考问题、联系实际,也要进行习题演算,这样可以加深对问题的认识,熟练掌握基本方法,从而不断提高自学能力。
4、做作业是帮助理解、消化和巩固所学知识,培养分析问题和解决问题能力以及提高运算能力的重要环节。在做作业以前,必须认真阅读教材的有关内容,并收集与作业有关的数据资料等,切勿草率了事,急于求成。
5、各章学时数分配:
本课程共四学分,自学时间包括阅读教材、参考书和做作业等约需240小时。各章学时建议分配如下:
章次 | 课程内容 | 学时 | 章次 | 课程内容 | 学时 |
二1四 | 緒述 流体力学基础 能源装置及辅件 执行元件控制元件 | 12 42 42 12 36 | 五六七八 | 密封件 基本回路 系统应用与分析系统设计与计算 | 12 36 24 24 |
(四)对社会助学的要求
1、助学指导教师应熟悉自学考试大纲所要求的内容、考核知识点和考核要求。助学辅导时,应以指定的教材为基础,自学考试大纲为依据,以免与大纲脱节。
2、注意自学考试的特点,命题要覆盖各章,绝对不可随意增删和圈定重点,以免导向失误。考核知识点不要求的内容则不命题。
3、注意培养考生的自学能力,同时要引导考生逐步学会独立学习、善于在学习过程中联系工作实际,提出问题,并能通过分析研究,提出解决问题的方案和措施。以提高考生分析问题和解决问题的能力。
4、助学辅导时,应引导考生按考试大纲的要求认真自学,应指导和检查考生完成作业的情况,有条件的应安排习题课,以加强考生对基本概念、基本原理和基本方法等的理解。
(五)关于命题考试的若干规定
1、本课程的考试方法为闭卷书面考试,考试时间为150分钟,考试时只允许带蓝色或黑色钢笔或圆珠笔、铅笔、橡皮、尺、不具备储存功能的计算器。答题不允许用红色钢笔或圆珠笔、铅笔等。
2、本自学考试大纲各章所提到的学习要求和列出的考核知识点、考核要求都是考试内容。考试命题覆盖到章,并适当突出重点章节,加大重点内容的覆盖密度。
3、本课程在试题中对不同能力层次要求的分数比例大致为:识记30%,领会40%,简单应用30%。
4、要合理安排试题的难易程度,试题的难易程度可分为:易、较易、较难、难四个等级。每份试卷中不同等级试题所占分数比例大致为:2:3:3:2。应当注意:试题的难易度同能力层次不是同一概念。在各个能力层次的试题中都存在着不同的难度,切勿将二者混淆。
5、试题的主要题型为:选择题、填空题、简答题、实验问答题、分析计算题、设计题等六种类型(详见附录)。
附录题型举例:
一、选择题:
1、液压传动的工作原理是基于
A能量守恒定律B动量定理
C 质量守恒定律D帕斯卡原理
2、容积调速回路中, 的调速方式为恒转矩调节; 的调节为恒功率调节。
A定量泵+变量马达B 变量泵+定量马达
C变量泵+变量马达D定量泵+定量马达
二、填空:
1、液压系统的工作压力取决于,执行元件运动速度取决于0
2、齿轮泵内泄漏主要通过 间隙,间隙,_间隙三条途经泄漏。三、简答题:
1、简述雷諾数表达式的含义和作用。
2、先导式溢流阀若出现无论你如何调节,但阀的进口压力总处于一个较低的值,请说出该故障的主要原因。
四、实验问答题:
1、绘制液压泵性能实验回路简图,简述其节流阀,溢流阀在该系统起何作用?五、分析计算题:
1、图示:顺序阀和溢流阀串联,调整压力分别为Px,Py 当系统外负载 趋于无穷大时,试问1)泵的出口压力为多少?
2)把两阀位置互换则泵出口压力为多少?
2、泵和马达组成系统,已知泵输出油压Pp=10MPa,排量Vp=10ml/r机械效率1mp=0.95,容积效率nvp=0.9,
马达排量VM=10ml/r, 机械效率nmM=0.95,容积效率 n vM=0.9, 泵出口处到马达入口管路压力损失为0.5MPa,其它损失不计。
试求:1.泵转速为1500r/min时,所需要的驱动功率
2.泵输出功率。3.马达输出转速。4.马达输出转距。
4.图示基本回路中若F=3.84KN,有杆腔工作截面A2=30cm2,无杆腔工作截面Al₁=60cm2,2个节流阀的开度都是0.25cm2(Cd=0.6,p=900Kg/m3)
问:当溢流阀压力调至何值时,油缸运动速度可达0.2m/s。(10 分 )
六、设计题:
设计一个能实现快进→工进1→工进2→快退→停止(换向阀卸荷),运动循环液压回路,并满足以下要求:
1. 调速为进口节流调速
2.采用双泵供油系统(双联叶片泵)回油要有背压(压力可调)
欢迎关注“上海自考网”微信公众平台![]() (自考资讯,一手掌握!) |
欢迎加入“上海自考网”微信交流群![]() (扫码进群,领取《 |
上海自考网免责声明:
(一)由于考试政策等各方面情况的不断调整与变化,本网站所提供的考试信息仅供参考,请以省考试院及院校官方发布公布的正式信息为准。
(二)本站文章内容信息来源出处标注为其他平台的稿件均为转载稿,免费转载出于非商业性学习目的,版权归原作者所有。如您对内容、版权等问题存在异议请与本站联系,我们会及时进行处理解决,联系邮箱:952056566@qq.com。







